Tornillo de cabeza hexagonal Dog Point Características y ventajas principales
Apr 26, 2023
Los tornillos de cabeza hexagonal Dog Point son un excelente tipo de tornillo disponible en el mercado. Son ideales para diversos tipos de propósitos, al igual que otros tornillos disponibles en el mercado. Los tornillos de cabeza hexagonal con punta de perro son tornillos de cabeza hueca que vienen en dos variedades. Uno es un punto de perro completo y otro es un punto de medio perro. La punta sobresaliente caracteriza a ambos tornillos. Los tornillos de media punta de perro vienen con una punta más corta que los tornillos de punta de perro para trabajar en aplicaciones de espacio limitado. Sin embargo, los tornillos de punta de perro completo tienen la capacidad de funcionar para una amplia variedad de propósitos.
Estos tornillos son sujetadores industriales que tienen la capacidad de sujetar más de un objeto a la vez, en un lugar y de forma segura. Están diseñados para insertarse en un agujero mecánico, superficie plana o ranura contra un eje como ajuste permanente. Los tornillos de cabeza hexagonal con punta de perro se pueden construir con cualquier tipo de material para satisfacer sus necesidades o requisitos. También están disponibles en la mayoría de los tamaños.
Tabla de dimensiones de tornillos de cabeza hexagonal AYA Dog Point(ESTRUENDO 561)

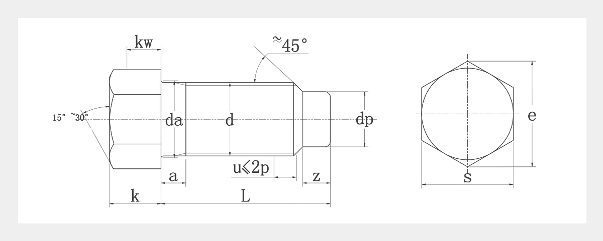
| Rosca de tornillo d |
M6 | M8 | M10 | M12 | M16 | M20 | M24 | M30 | M36 | M42 | M48 | M56 | |
| P | Paso (hilo grueso) | 1 | 1.25 | 1.5 | 1.75 | 2 | 2.5 | 3 | 3.5 | 4 | 4.5 | 5 | 5.5 |
| Paso (hilo fino) | - | - | - | - | - | 2 | 2 | 2 | 3 | 3 | 3 | 3 | |
| a | máximo | 3 | 3.75 | 4.5 | 5.25 | 6 | 7.5 | 9 | 10.5 | 12 | 13.5 | 15 | 16.5 |
| da | máximo | 6.8 | 9.2 | 11.2 | 13.7 | 17.7 | 22.4 | 26.4 | 33.4 | 39.4 | 45.6 | 52.6 | 63 |
| doble penetración | tamaño=nominal máx. | 4 | 5.5 | 7 | 8.5 | 12 | 15 | 18 | 23 | 28 | 32 | 38 | 45 |
| min | 3.82 | 5.32 | 6.78 | 8.28 | 11.73 | 14.73 | 17.73 | 22.67 | 27.67 | 31.61 | 37.61 | 44.61 | |
| e | min | 8.79 | 11.05 | 14.38 | 17.77 | 19.92 | 26.75 | 33.53 | 39.98 | 51.28 | 61.31 | 72.61 | 83.91 |
| k | Medida nominal | 5 | 6 | 7 | 9 | 11 | 14 | 17 | 21 | 25 | 30 | 34 | 40 |
| min | 4.85 | 5.85 | 6.82 | 8.82 | 10.79 | 13.79 | 16.79 | 20.74 | 24.74 | 29.74 | 33.69 | 39.69 | |
| máximo | 5.15 | 6.15 | 7.18 | 9.18 | 11.21 | 14.21 | 17.21 | 21.26 | 25.26 | 30.26 | 34.31 | 40.31 | |
| kilovatios | min | 3.4 | 4.1 | 4.8 | 6.2 | 7.6 | 9.7 | 11.8 | 14.5 | 17.3 | 20.8 | 23.6 | 27.8 |
| s | tamaño=nominal máx. | 8 | 10 | 13 | 16 | 18 | 24 | 30 | 36 | 46 | 55 | 65 | 75 |
| min | 7.78 | 9.78 | 12.73 | 15.73 | 17.73 | 23.67 | 29.67 | 35.38 | 45.38 | 54.26 | 64.26 | 74.26 | |
| z | min=tamaño nominal | 3 | 4 | 5 | 6 | 8 | 10 | 12 | 15 | 18 | 21 | 24 | 28 |
| máximo | 3.25 | 4.3 | 5.3 | 6.3 | 8.36 | 10.36 | 12.43 | 15.43 | 18.43 | 21.52 | 24.52 | 28.52 | |
| ①, Materiales: a) Acero, Clase de propiedad (material): 14H, 22H Estándar DIN ISO 898-5; b) Acero inoxidable, Clase de propiedad (material): A2-50 Norma DIN ISO 3506; c)Metal no ferroso, Clase de propiedad(material): CuZn=CU2 o CU3 Norma DIN EN 28839, a elección del fabricante |
|||||||||||||
Características principales de los tornillos de cabeza hexagonal Dog Point
El tornillo de cabeza hexagonal Dog Point tiene la capacidad de adaptarse a cada necesidad del mercado. Además, vienen con características atractivas, lo que los convierte en una opción perfecta para la mayoría de las industrias. A continuación se muestra la lista de las principales características de los tornillos de cabeza hexagonal con punta de perro:
● Resistencia: el tornillo de cabeza hexagonal con punta de perro proporciona una resistencia de 45H porque están fabricados con materiales como el acero aleado.
● Dureza - El tornillo de cabeza hexagonal con punta de perro viene con una dureza de 5g6g.
● Calificación de pieza excelente: viene con una calificación de pieza excelente, una calificación A.
● Tratamiento superficial: el tornillo hexagonal con punta de perro también viene con un tratamiento superficial de recubrimiento de óxido negro y aceite antioxidante.
Este no es el final de las características de los tornillos de cabeza hexagonal con punta de perro. Estos tornillos vienen con más características además de la lista mencionada anteriormente.
Ventajas de los tornillos de cabeza hexagonal Dog Point
El tornillo de cabeza hexagonal Dog Point se encuentra entre los mejores tornillos. Estos tornillos son muy populares debido a sus ventajas. A continuación se muestran las principales ventajas del tornillo de cabeza hexagonal Dog Point:
● Fácil de usar: cualquiera puede usar fácilmente tornillos de cabeza hexagonal con punta de perro. Solo necesita atornillar los tornillos con un destornillador.
● Resistencia a la tracción: el tornillo de cabeza hexagonal con punta de perro proporciona resistencia a la tracción debido a su material robusto.
● Excelente resistencia: el tornillo de cabeza hexagonal con punta de perro también viene con la capacidad de resistir la corrosión y la temperatura.
● Compresión: los tornillos de cabeza hexagonal con punta de perro están especialmente diseñados para retener la compresión para una rotación libre.
Esperamos que comprenda lo que puede obtener con el tornillo de cabeza hexagonal Dog Point.

Aplicaciones
Los tornillos de cabeza hexagonal con punta de perro están diseñados para usarse con varios propósitos. Esta es la única razón detrás de la popularidad de estos tornillos. A continuación se muestra la lista de la aplicación superior del tornillo de fijación de punto de perro:
● Los tornillos de cabeza hexagonal con punta de perro se utilizan para sujetar dos objetos.
● También se usa para asegurar el engranaje al eje.
● También se utilizan en aplicaciones pesadas exitosas
Independientemente del propósito, estos tornillos son la elección perfecta para cada uso.
¿Buscas Sujetadores?
Haga clic a continuación para explorar el amplio catálogo de sujetadores de AYA FASTENERS, que incluye productos de tornillos, pernos, arandelas y tuercas de alta calidad.
Teléfono: más 86-311-85870676
WhatsApp/WeChat: más 8615823215841
Email: sales@ayafasteners.com
Dirección: Provincia de Hebei, China








